服務熱線:15195518515在線客服:1464856260
傳真號碼:0517-86801009
郵箱號碼:1464856260@qq.com
網 址:http://www.houfugongyi.com
地 址:江蘇省金湖縣理士大道61號
遠傳磁浮子液位計工作原理
發布時間:2021-09-07 07:52:26??點擊次數:3503次
一、工作原理
遠傳磁浮子液位計是根據磁*耦合原理、阿基米德(浮力定律)等原理巧妙地結合機械傳動的特性而開發研制的一種專門用于液位測量的裝置。
二、常用遠傳磁浮子液位計安裝形式
下圖中所示安裝形式常用的為A型和B型。

A 型頂裝式遠傳磁浮子液位計分為上下兩部分,上部在容器頂部,下部安裝在容器內,由法蘭與容器法蘭連接。液下部分導管內浮子由連桿與上部導管內磁性頭連成一體。當液體變化時,浮子帶動磁鋼在導管內上下運動,帶動顯示部分紅白指示球翻轉,在面板上讀得液位高度。
B 型側裝式遠傳磁浮子液位計有一個容納浮球的腔體(稱為主體管或外殼),它通過法蘭或其他接口與容器組成一個連通器;這樣它腔體內的液面與容器內的液面是相同高度的,所以腔體內的浮球會隨著容器內液面的升降而升降;這時候我們并不能看到液位,所以我們在腔體的外面裝了一個翻柱顯示器,因為我們在制造浮球時在浮球沉入液體與浮出部分的交界處安裝了磁鋼,它與浮球隨液面升降時,它的磁性透過外殼傳遞給翻柱顯示器,推動磁翻柱翻轉180°;由于磁翻柱是有紅、白兩個半圓柱合成的圓柱體,所以翻轉180°后朝向翻柱顯示器外的會改變顏色(液面以下紅色、以上白色),兩色交界處即是液面的高度。
A 型和B 型兩種液位計雖然在外觀和結構上有所區別,但是其關鍵工作部分和工作原理基本相同,主要為磁翻板和磁變送器兩部分需要在此另行說明磁翻板部分的圖示如下圖所示,對應本圖為側裝式遠傳磁浮子液位計的磁翻部分描述,頂裝式的區別**在于磁浮子不在浮球內,而是通過連桿連接下部浮球。

三、液位變送裝置
為了擴大液位計的使用范圍,還可以根據相關標準及要求增加液位變送裝置,以輸出多種電信號。其中,4~20mA 電流信號是比較常用的一種。比如:在監測液位的同時磁控開關信號可用于對液位進行控制或報警;在翻柱液位計的基礎上增加了 4~20mA 變送傳感器,在現場監測液位的同時,將液位的變化通過變送傳感器、線纜及儀表傳到控制室,實現遠程監測和控制。
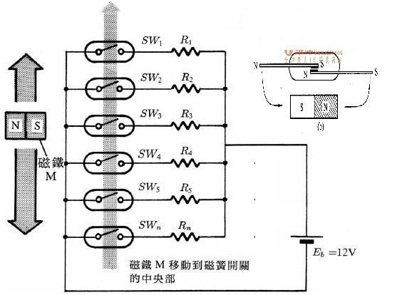
磁變送器(干簧管變送器):與磁開關的原理相似,它是捆綁在浮筒外面。當浮筒里面的浮子隨著液位變化時,上下移動,浮子中的磁鋼所在的位置將改變干簧管中磁開關的狀態(閉合),只有在磁鋼作用范圍內的干簧管閉合,其它都處于開路狀態,從而改變回路的電阻值,或者說是改變了輸出回路的阻值。浮子的位置相當與電位器的滑動點,隨著浮子的位置變化,引起上下電阻的抽頭(上下電阻值)變化,液位越低,電阻值越大,越高電阻越小(出線在頂部)。由于回路是恒(定電)流,再通過電流/電壓轉換,進而可以轉化為4~20mA/HART 等信號。液位變化,液位旁邊的磁開關閉合,電阻值變化,輸出電壓隨之變化。




|